Бесплатно по России
8 800 200 68 98
Телефон в С-Пб
8 812 409 39 93
Перезвонить мне
Каталог домов
Фильтр
Площадь, м
Этажность
Общая площадь, м2

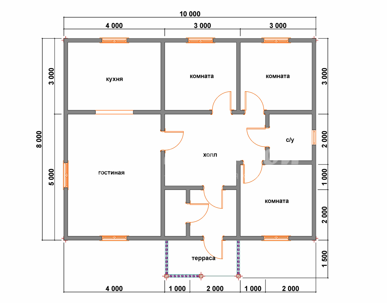
Проект «Ильмень Д-33»

Размеры: 8x10 м  |  Площадь: 84 кв.м  |  Один этаж
Построим в каркасном исполнении
Стоимость под ключ
Стоимость под усадку
Общее описание и комплектация дома
Под ключ
Фундамент и основание дома
Фундамент По желанию Заказчика (не входит в стоимость дома)
Обвязка Не строганный брус 150х150 мм (200×150 мм) естественной влажности
Половые лаги (усиленные) Брус 100х150 мм, с шагом 80 см (+/- 5 см)
Черновой пол Обрезная доска 20×100 мм (естественной влажности) укладывается «всплошную» по череповым брускам 40×50 мм (естественной влажности)
Чистовой пол Шпунтованная половая доска 28 мм камерной сушки
Стены и перегородки
Сруб дома Профилированный (строганный) брус 90х140 мм (140х140 мм / 190×140 мм). Атмосферной сушки. Тип бруса на выбор: полукруг (под блок-хаус) или прямой
Перегородки 1 этажа Профилированный брус сечением 90х140 мм
Сборка сруба Венцы между собой собираются на деревянные берёзовые нагеля. Между венцами прокладывается джут
Рубка углов Теплый угол
Высота потолков 2,30 +/- 5см (17 венцов)
Подстропильные Обрезная доска 40 х 100 мм(естественной влажности) с шагом 80 см(+/- 5см)
Крыша и кровля
Стропильная система Обрезная доска 40 х 100 мм (естественной влажности), с шагом 80 см(+/- 5см), с прокладкой паро-гирдоизоляции (Изоспан или его аналоги) и контр-обрешеткой 20х50 мм.
Обрешетка Обрезная доска 100 х 20 мм (естественной влажности), с шагом 20-30см.
Кровля Волнистый битумный лист Ондулин (возможен выбор расцветки: шоколад, бордо, зеленая листва)
Высота конька 2,0 м
Выпуски, свесы 0,35-0,40 м. Подшиваются хвойной вагонкой камерной сушки
Фронтоны Обрезная доска 40х100 мм, естественной влажности.
Снаружи Зашивается хвойной вагонкой (класса А , В)  камерной сушки (стыки допускаются). Устанавливаются вентиляционные решетки.
Отделка и дополнения
Потолок 1-го этажа Зашиваются хвойной вагонкой (класса А, В ) камерной сушки
По стыкам стен потолка / пола внутри помещений Прибивается хвойный плинтус
Утепление – пол / потолок 1-го этажа Минеральная вата КНАУФ 50 мм (либо аналоги) с прокладкой паро-гидроизоляции Изоспан В
Двери Входная: металлическая утепленная (производство Россия)
Межкомнатные: филенчатые
Обналиченные с отделкой откосов
Окна Деревянные имитация стеклопакета с двойным остеклением: 1,0х1,2 м и 0,6х0,6 м,  обналиченные с отделкой откосов. Комплектуются фурнитурой. Над окнами устанавливаются отливы.
Лестница При входе устанавливаются  ступени.
Терраса Устанавливаются столбы с усадочными лифтами (домкратами), перила с плоскими балясинами. Потолок зашивается хвойной вагонкой (класса А, В) камерной сушки
Проемы окон и дверей Устанавливаются деревянные направляющие  (ройки)
Под усадку
Фундамент и основание дома
Фундамент По желанию Заказчика (не входит в стоимость дома)
Обвязка Не строганный брус 150х150 мм (200x150 мм) естественной влажности
Половые лаги (усиленные) Брус 100х150 мм, с шагом 80 см (+/- 5 см)
Черновой пол Обрезная доска 20x100 мм (естественной влажности) укладывается «всплошную» по череповым брускам 40x50 мм (естественной влажности)
Стены и перегородки
Сруб дома Профилированный (строганный) брус 90х140 мм (140х140 мм / 140х190 мм). Атмосферной сушки. Тип бруса на выбор: полукруг (под блок-хаус) или прямой. Все  проемы окон и дверей перевязываются.
Перегородки 1 этажа Профилированный брус сечением 90х140 мм
Сборка сруба Венцы между собой собираются на деревянные берёзовые нагеля. Между венцами прокладывается джут
Рубка углов Теплый угол
Высота потолков 1 этаж – 2,30 м +/- 5 см (17 венцов)
Подстропильная система Доска 40х150 мм (естественной влажности) с шагом 80 см(+/- 5см)
Крыша и кровля
Стропильная система Обрезная доска 40х100мм (естественной влажности), с шагом 80 см(+/- 5см), с прокладкой паро-гирдоизоляции (Изоспан или его аналоги) и контр-обрешеткой 20х50 мм.
Обрешетка Обрезная доска 100х20 мм (естественной влажности), с шагом 20-30 см
Кровля Волнистый битумный лист Ондулин (возможен выбор расцветки: шоколад, бордо, зеленая листва)
Высота конька 2,0м
Выпуски, свесы 0,35-0,40 м. Подшиваются хвойной вагонкой камерной сушки
Мансарда
Фронтоны / каркас мансарды Обрезная доска 40x100 естественной влажности. Снаружи обшиваются хвойной вагонкой класса А-B.
Дополнения
Терраса Устанавливаются столбы с усадочными лифтами (домкратами).
Дополнительные услуги
Свайно-винтовой фундамент 201 000 руб.
Опорно-столбчатый фундамент 66 000 руб.
Двойная обвязка основания 40 300 руб.
Обработка основания, лаг, черновых полов 46 000 руб.
Сухой профилированный брус 90х140мм 186 000 руб.
Сухой профилированный брус 140х140мм 214 800 руб.
Сухой профилированный брус 190х140мм 234 000 руб.
Дополнительный венец из бруса 90х140мм 36 800 руб.
Дополнительный венец из бруса 140х140мм 45 900 руб.
Замена наружной отделки фронтонов на блок-хаус 22 100 руб.
Замена деревянных окон на двухкамерные окна ПВХ 41 400 руб.
Дополнительное утепление в 50 мм 25 200 руб.
Замена кровли на металлочерепицу «СуперМонтеррей» (толщина 0,40-0,45мм) 80 000 руб.
Водосточная система для крыши пластиковая (цвет на выбор: коричневый, белый) 54 600 руб.
Бытовка 2х3м для проживания бригады 27 000 руб.
Аренда генератора на весь срок строительства (бензин заказчика) 7 500 руб.
Пружинный узел Сила 250 руб./шт.
Деревянный туалет 15 000 руб.
Обработка стропильной системы и порешетника 57 000 руб.
Замена размерности бруса перегородок на 140х140 мм. 103 300 руб.
Замена половой доски на 36 мм 28 800 руб.
Уменьшение шага половых лаг, стропильной системы и межэтажного перекрытия на 0,6 м. 61 200 руб.
Дополнительный венец из бруса 190х140мм 56 200 руб.
Итоговая стоимость: 1580000 руб. Оставить заявку
Рекомендуемые проекты

Остались вопросы?

оставьте Ваш телефон и мы перезвоним Вам в ближайшее время


    Нажимая на кнопку, вы даете согласие на обработку персональных данных